课程内容
《欧姆定律》
知识与技能
1、理解电阻的概念,明确导体的电阻是由导体本身的特性所决定。
2、要求学生理解欧姆定律,并能用来解决有关电路的问题。
3、知道导体的伏安特性曲线,知道什么是线性元件和非线性元件。
重点:正确理解欧姆定律及其适应条件
难点:对电阻的定义的理解,对I-U图象的理解
一、复习上课时内容
要点:电动势概念,电源的三个重要参数
电动势:非静电力把正电荷从负极移送到正极所做的功跟被移送的电荷量的比值。
内阻:电源内部也是由导体组成的,也有电阻r,叫做电源的内阻。
电池的容量:电池放电时能输出的总电荷量,通常以安培小时(A·h)或毫安小时(mA·h)做单位。
内阻、电动势和容量同为电源的重要参数。
1、欧姆定律
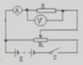
演示:如图闭合S后,移动滑动变阻器触头,记下触头在不同位置时电压表和电流表读数。电压表测得的是导体R两端电压,电流表测得的是通过导体R的电流,记录在下面表格中。把所得数据描绘在U-I直角坐标系中,确定U和I之间的函数关系。

(1)导体的电阻
①定义:导体两端电压与通过导体电流的比值,叫做这段导体的电阻。
②公式:R=U/I(定义式)
说明:
A、对于给定导体,R一定,不存在R与U成正比,与I成反比的关系,R只跟导体本身的性质有关
B、这个式子(定义)给出了测量电阻的方法——伏安法。
C、电阻反映导体对电流的阻碍作用。
③单位:欧姆,符号Ω,且1Ω=1V/A,常用单位:Ω、kΩ、MΩ
换算关系:1kΩ=103Ω 1MΩ=103kΩ
(2)欧姆定律
①定律内容:导体中电流强度跟它两端电压成正比,跟它的电阻成正比。
②公式:I=U/R
③适应范围:一是部分电路,二是金属导体、电解质溶液。
欧姆定律的应用
根据欧姆定律,知道I、U、R中任意两个物理量可以求出第三个量。
例如用电压表、电流表测出相对应的电压和电流,可以根据欧姆定律的变形公式R=U/I,求出电阻。
这个方法称作:伏安法测电阻。
2、导体的伏安特性曲线
(1)伏安特性曲线:用纵坐标表示电流I,横坐标表示电压U,这样画出的I-U图象叫做导体的伏安特性曲线。
(2)线性元件和非线性元件
线性元件:伏安特性曲线是通过原点的直线的电学元件。
非线性元件:伏安特性曲线是曲线,即电流与电压不成正比的电学元件。
3、实验:测绘小灯泡的伏安特性曲线
按P47实验要求进行,电路改为分压电路。
把实验数据列表,并在坐标纸中建立坐标系后做出图象。
要求至少测6个点以上。
此内容正在抓紧时间编辑中,请耐心等待
朱老师
男,中教高级职称
本着物理源于生活,高于生活,又应用于生活。常让学生从生活中观察问题,思考问题。
