2021年人教版物理九年级全一册 16.2串、并联电路中的电压规律
一、单选题
1.如图所示,在探究“串联电路电压的关系”时,闭合开关S后,电压表V₁的示数是2.5 V,V₂的示数是3.8 V,则电压表V₃的示数是( )
A.1.3 V
B.2.5 V
C.3.8 V
D.6.3 V
2.如图所示,灯泡L₁比L₂亮,电压表V₂示数为6 V,下列说法正确的是( )
A.V₁示数为6 V
B.V₁示数大于6 V
C.V₂示数小于6 V
D.V₂示数大于6 V
3.图(a)所示电路,当闭合开关S后,两个电压表指针偏转均为图(b)所示,则电阻R₁和R₂两端的电压分别为( )
A.8V 2V
B.10V 2V
C.2V 8V
D.2V 10V
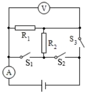
4.如图所示,通过开关的通断来研究电路连接和电路故障等问题,下列说法正确的是( )
A.断开S₁和S₃,闭合S₂时,R₁和R₂并联
B.断开S₁和S₃,闭合S₂时,电压表测量电源电压
C.断开S₂,闭合S₁时S₃,R₁和R₂串联
D.断开S₁,闭合S₂时S₃,R₂被短路
5.如图所示的电路中,将开关S闭合,灯L₁和灯L₂均发光,下列说法中正确的是( )
A.灯L₁和灯L₂串联
B.灯L₁和灯L₂两端的电压一定相等
C.通过灯L₁的电流与通过灯L₂的电流一定相等
D.通过灯L₁的电流与通过电源的电流一定相等
二、填空题
三、按要求做题
1.在“探究串联电路电压的特点”实验中:
某实验小组分别测量了串联电路两端的总电压U和灯泡L₁、L₂两端的电压U₁、U₂数据如表:
(1)该小组由此得出串联电路的总电压与各部分电压的关系是___________(用题中物理量符号表示)。
(2)实验过程中,若L₁灯丝断了,观察到电压表V₁示数为_________,电压表V₂示数为_________。
(3)该实验还有待改进,请写出其中一点:__________________________。

2. 我们已经学习了串联电路电压的规律,那么串联的各部分电路如何分配电源电压呢?小明利用以下实验器材进行实验:阻值不同的定值电阻若干、电压表、电压为3V的电源、开关及导线。请回答下列问题:
(1)连接电路时,应将开关处于________状态(选填:“断开”或“闭合”);
(2)如图甲所示,小明将阻值为10Ω和5Ω的电阻分别接入电路中AB和CD两位置,闭合开关,电压表的示数如图乙所示,则AB间电压为______V,比较两电阻阻值和所分电压值可得初步结论:串联电路中,电阻值越大,其所分电压________;
(3)为了进一步探究电压的分配规律,小明更换电阻完成了上表中2、3两次实验,观察到每次实验电压表示数几乎不变。分析实验数据发现AB间和CD间的电压之比与其对应电阻阻值之比相等,于是得出:“串联电路中各部分电路按其阻值之比分配电源电压”的结论。根据这一实验过程得出的结论是否可信?________(选填:“可信”或“不可信”),你的理由是:________________________________________。
此内容正在抓紧时间编辑中,请耐心等待
邢老师
男,中教高级职称
市骨干优秀教师,市物理教学改革科研组负责人,注重教学改革及教育实践,具有丰富的物理基础教学经验。




