2021年人教版物理九年级全一册 16.4变阻器
一、单选题
3.将两只滑动变阻器按图所示的方法连接,如果把a、b两根导线接入电路里,要使这两只变阻器接入电路中的总电阻最大,应把滑片P₁、P₂放在( )
A.P₁放在最右端,P₂放在最右端
B.P₁放在最左端,P₂放在最左端
C.P₁放在最右端,P₂放在最左端
D.P₁放在最左端,P₂放在最右端
4.如下图,是某实验小组的同学连接的电路,则( )
A.在连接此电路时,开关应该断开;开关闭合前,滑片应处于最左端
B.S₁、S₂都闭合时,L₁、L₂并联,电流表测干路的电流
C.先闭合S₁、S₂,再断开S₁时,电流表示数变小,电压表示数变小
D.S₁、S₂都闭合,将滑片右移时,电流表示数变小,电压表示数变小
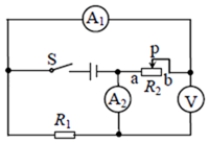
5.如图所示,电源电压不变,闭合开关S后,滑动变阻器的滑片P自中点向b端移动的过程中,下列关于电表示数变化情况判断正确的是( )
A.电流表A₁变小,A₂变小,电压表V不变
B.电流表A₁变小,A₂不变,电压表V不变
C.电流表A₁变小,A₂变小,电压表V变大
D.电流表A₁不变,A₂变大,电压表V变小
二、填空题
3.滑动变阻器是靠改变接入电路中电阻线的来改变其连入电路中的电阻的,如图为旋转式变阻器的结构图,a、b、c 为变阻器的三个接线柱,d 为旋钮触片。将该变阻器接入电路中调节灯泡的亮度,当顺时针旋转旋钮触片时,灯泡变亮,则应连接接线柱(选填“a、b”、“b、c”或“a、c”)和灯泡联后接入电路中。

三、按要求做题
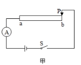
1.学校实验室有一根长略大于60cm的均匀电阻丝,小明等同学打算探究这根电阻丝不同长度的电阻与对应长度的关系。已知这根电阻丝总电阻约6Ω,他们设计了如图甲所示电路示意图,电源电压3V,电阻丝拉直固定在木板上的a、b两点,P为鳄鱼夹。
完成实验,回答下列问题:
(1)电流表应选用_______(选填序号)。
A.电流表A₁(0~60mA)
B.电流表A₂(0~0.6A)
C.电流表A₃(0~3.0A)
(2)正确连接电路,断开开关,鳄鱼夹P夹接在电阻丝上靠近b端某位置,用刻度尺测鳄鱼夹与a端间电阻丝长度L,闭合开关,读取电流表示数I;断开开关,将鳄鱼夹P向a端移动约10cm,重复前面的操作。6次测得的电阻丝长度L和对应电流表示数I如下表所示。
(3)计算接入电路电阻丝的电阻R,并填在上表中。请补填根据第2次测量算出的电阻丝的电阻R₂=____Ω。
(4)请在图乙的坐标系中,制定纵横坐标的标度,把上表中数据在坐标系中描点,然后画出图象。
(5)根据你画出的图象,________(选填“可以”或“不可以”)得到结论:在误差范围内,电阻丝的电阻与其长度成正比。
2.用滑动变阻器改变小灯泡的亮度:
(1)要求滑动变阻器的滑片向左移动时能使灯L亮度变暗。请用笔画线代替导线连接实物, 并在方框内画出相应的电路图。
(2)滑动变阻器的铭牌上标有“20 Ω 2 A”的字样,其中“20 Ω”指的是________两个接线柱间的电阻值;“2 A”指的是__________________________________。
(3)如果还想知道电路中电流的改变情况,需要在电路中______联一个电流表,并增加______根导线。
(4)开始实验后,甲同学发现无论如何移动滑片 P,灯的亮度都不发生变化,而且一直很亮,这可能是___________________________________。
此内容正在抓紧时间编辑中,请耐心等待
邢老师
男,中教高级职称
市骨干优秀教师,市物理教学改革科研组负责人,注重教学改革及教育实践,具有丰富的物理基础教学经验。













