2021年人教版物理九年级全一册 17.3电阻的测量
一、单选题
1.用伏安法测电阻的实验中,电源电压为4.5 V,被测电阻的阻值约为10 Ω,则连接电路时,电流表的量程应选择( )
A.3 A
B.0.6 A
C.任意一个均可
D.无法判断
3.在“测量小灯泡电阻”实验中,某同学连接好电路闭合开关后,发现小灯泡不亮,但电流表有示数,接下来应进行的操作是( )
A.更换小灯泡
B.更换电源
C.检查电路是否断路
D.移动滑动变阻器滑片,观察小灯泡是否发光
4.如图所示,电源电压不变,R₁为定值电阻,开关闭合后滑片向右移动时,下列说法错误的是( )
A.电压表测的是R₁两端电压
B.电流表示数变大
C.电压表示数变小
D.电压表与电流表示数之比不变
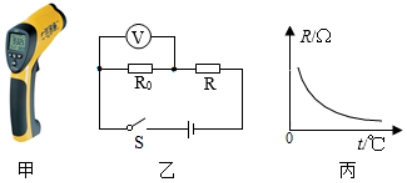
5.如图甲是非接触式红外线测温枪,图乙是它的工作原理图。R₀是定值电阻,R是红外线热敏电阻,其阻值随人体温度变化的图象如图丙。对该电路分析正确的是( )
A.体温越高,R的阻值越大
B.体温越高,电压表示数越大
C.体温越高,电压表示数越小
D.体温越低,电压表示数越大
二、填空题
1.小杰同学想利用所学知识测量一个阻值未知的定值电阻 R的阻值。他找来了如下器材:一个电压恒定的电源(电源电压值未知)、一个阻值已知的定值电阻 R、一个电压表(量程大于电源电压值)、一个单刀双掷开关和若干导线,设计了如图所示的电路图。实验时,他先将开关 S 拨至 a 处,电压表的示数为 U;然后将开关 S 拨至 b 处,电压表的示数为 U₁。则开关 S 拨至 b 处时,电路中的电流为,待测电阻 Rₓ的阻值为。

2.在“用电流表、电压表测电阻”的实验中,某同学连接的电路如图所示。闭合开关前为了保护电路,应将滑动变阻器滑片移至端(选填“A”或“B”),各电表所测的值均不得超过它们的,实验中通过改变滑动变阻器连入电路的电阻来改变待测电阻Rₓ两端的,该实验中多次测量的目的是。

3.利用图甲测小灯泡的电阻,小灯泡的额定电压为2.5V,电源电压恒定不变。

(1)当小灯泡正常发光时,电流表示数如图乙,则小灯泡正常发光时的电流为A,小灯泡正常发光时的电阻为Ω(计算结果保留一位小数)。
(2)某同学根据记录的部分实验数据,计算出小灯泡的电阻,发现有一组测量数据存在错误。请指出错误数据的序号并说明判断依据。

三、按要求做题
1.小明做“测量小灯泡的电阻”实验时,使用的小灯泡额定电压为2.5 V,电源电压为3 V。小明现已连接了部分电路,如图甲所示。

(1)在已连接的电路中,有一不当之处是_____________。
(2)当小灯泡正常发光时,电流表的示数如图乙所示,电流大小为_________A,小灯泡正常发光时的电阻为
_________Ω。(电阻的计算结果保留一位小数)
(3)小明的实验记录和有关计算如表所示。从表格设计看,小明计划把四次电阻的平均值作为小灯泡的电阻值,他认为这样可以减小误差,你认为小明的做法是_________(选填“正确”或“错误”)的。从表中数据看,不同电压下小灯泡的电阻值不同,这是灯丝电阻受_________影响导致的。

2.小亮做“测小灯泡电阻”的实验时,所用器材有电压为6V的电源,额定电压为2.5V的小灯泡,以及符合实验要求的滑动变阻器、电压表、电流表、开关和导线。
(1)在图甲中请你用笔画线代替导线,将实验电路连接完整。
(2)小亮连接电路时,刚接好最后一根线,就发现小灯泡发光了,产生这一现象的原因是_________。
(3)在改正(2)的错误后,在实验开始前应将滑动变阻器的滑片先调到甲图所示的最______端(选填“左”或“右”)。
(4)小亮滑动滑片P,分别记下了多组对应的电压表和电流表的示数,并绘制了如图乙所示的U﹣I图象,根据图象提供的信息,小灯泡正常工作时的电阻约为_______Ω。
(5)完成上述实验后,小亮进一步思考,只用一只仪表结合已知最大阻值为R滑的滑动变阻器,在不超过2.5V恒定的电源电压下,不考虑温度对电阻的影响,能否测出小灯泡的阻值呢?于是他设计了两种情况的电路如图丙、丁所示。其步骤如下:
A.在丙图中将滑动变阻器滑片滑到a端,记下电压表示数Ua,再滑到b端记下电压表示数Ub。
B.小亮通过这两个数据和R滑可计算出灯泡电阻R灯1,其表达式为R灯1=_________。
C.在丁图中将滑动变阻器滑片滑到a端,记下电流表示数Ia,再滑到b端记下电流表示数Ib。
D.小亮通过这两个数据和R滑也可计算出灯泡的电阻R灯2,其表达式为R灯2=_________。
此内容正在抓紧时间编辑中,请耐心等待
邢老师
男,中教高级职称
市骨干优秀教师,市物理教学改革科研组负责人,注重教学改革及教育实践,具有丰富的物理基础教学经验。






、


;
。